Previous page

21. Which indicator?

When an indicator is needed, the practical choices are either a lightbulb, or an LED. Here is a comparison.

LED

Lightbulb

Low current required (5mA) High current required (60mA)
Robust Fragile
Lasts indefinitely Filament slowly evaporates
Immediate response Much slower response
Gives coloured light Produces white light

22. Switches

There are many types of switch. Note that these pictures are not circuit diagrams. There is no way of specifying which switch to use for a circuit. It comes down to common sense.

Toggle switch

These are either on/off, or are biased, so they spring back into place after being released.

Slide Switch

Rotary Switch

Push Switch

PushSwitch.gif (1191 bytes)

These are either normally on (push-to-break), or normally off (push-to-make). They can be latched, so they stay pressed down after you remove your finger, like the switches on a torch.

Microswitch

Microswitch.gif (1215 bytes)

Reed switch

ReedSwitch.gif (1091 bytes)

These are magnetically activated.

Mercury tilt switch

TiltSwitch.gif (1115 bytes)

The mercury flows inside, & when the switch is tilted a certain way, it will connect the 2 contacts. In the above illustration, it's shown in the closed position.

Ways and poles

In electronics, a way is a number of switch positions. A pole is the number of switches moved together.

SwitchPolesAndWays.gif (4935 bytes)

Sometimes this is written in a kind of shorthand. Here's an example of the four types you're most likely to meet.

SPST Single Pole, Single Throw
SPDT Single Pole, Single Throw
DPST Double Pole, Single Throw
DPDT Double Pole, Double Throw

These are the only widely used shorthand abbreviations, as these are the most widely used switches.

 

23. Transistors

The transistor is basically a glorified switch. It is also a driver, enabling you to power components that normally require a much higher current.

It's very easy to make these little dudes blow up. If you do electronics in school, they'll tell you - "These things blow up easily". It's not as much fun as it sounds. They just emit a little puff of smoke. They're not dangerous at all. They couldn't damage a thing. They may draw a little blood, but your limbs are safe. But don't put too much current through them, or they'll blow up.

Transistors are one of the most difficult subjects in electronics - so don't worry if you need to re-read some of this stuff.

The NPN Transistor

 The NPN transistor appears to contain 2 diodes. They are wired as so:

For that reason, the transistor has a turn-on voltage of 0.7V.

Experiment to turn a lamp on by touch

Normally there is no collector current (Ic), but if we provide the base with a very small base current (Ib), which we can do by touching the terminals, a much larger Ic is permitted to flow.

The current gain is called the hFE. Normally the FE is written in subscript. It is calculated by Ic / Ib. Most transistors have an hFE of about 250 - 400.

Another term related to transistors is the saturation current. When a transistor is saturated, the collector current has reached the maximum, & is no longer controlled by the base current (ie. It doesn't matter how much current you pump in, it will give the same Ic). The Saturation current = Vcc / R. For example:

hFE = Ic / Ib so therefore Ic = Ib * hFE

= 0.05 * 400 = 20mA

But Ic (saturation) = 6 / 2 = 3mA. The transistor is saturated.

Experiment to determine the current characteristic of a transistor & find its hFE.

Ic (mA)

Ib(uA)

12.5
2 4.8
3 7.1
4 9.4
5 13.7
6 14.1
7 16.8
8 19.6
9 22.8

The transistor load driver

Vin (V) Ic (mA)
0.5 0
1.0 38.5
1.5 71.3
2.0 77.6
2.5 81.1
3.0 83.6
3.5 85.8
4.0 87.7
4.5 89.4
5.0 90.8
5.5 92.1
5.95 93.0
0.75 10.8
0.25 0
1.25 61.1
0.55 0.01

Note that the results above are not in order. Specifically, there are a couple of extra results on the end.

The transistor can be used as a buffer, or as a digital switch (<0.7V, the switch is off, >0.7, the switch is on). The transistor often becomes saturated.

When Vin is 0V, the transistor is off, so the lamp is off. For all values of Vin <0.7V, the transistor is off because the base current will be 0mA (due to the diode).

If Vin is greater than 0.7V, a base current flows & the transistor starts to come on. In the case of the previous experiment, it was fully on from about 1.5V (ie. The transistor was saturated).

The load (RL) could be a lamp, a buzzer, a motor, a solenoid, etc, etc.

Rin limits the current flowing into the base. It should be as high as possible, while still saturating the transistor.

The Field Effect Transistor (FET)

The field effect transistor is a little bit different, in the form of it needs no gate current, only a gate voltage. Also, it's turn on voltage is below zero, which makes it a pain to wire but can be useful in places.

Voltage (Gate) Ig Id
-11.7 0 0
-10 0 0
-9 0 0
-8 0 0
-7 0 0
-6 0 0
-5 0 0
-4 0 0
-3 0 0
-2 0 0.8
-1 0 3.16
0 0 6.4
1 0 8.95
2 0 9.65
3 0 10.1
4 0 10.42
5 0 10.67
6 0 11.85
7 0 11.01
8 0 11.12
9 0 11.23
10 0 11.31
11 0 11.38
11.7 0 11.42

Properties comparison

FET NPN bipolar
Voltage controlled Current Controlled
Negative turn-off voltage Turns off <0.7V
Input current Ig is 0 Higher input current (Ib)

The MOSFET Transistor

MOSFET stands for Metal Oxide Silicon Field Effect Transistor. Which means as much to you as it does to me. It's basically a description of it's construction, & is a very trivial piece of trivia.You don't need to know what it stands for.  It's normally used as a driver following a gate circuit.

Properties comparison

MOSFET NPN
Can switch on large load currents. Cheaper.
Requires less input current. Has a definite switch-on voltage.

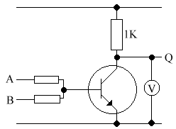
Transistors as gates

A B Q
0V 0V 9.98V
0V 10V 0.5V
10V 0V 0.5V
10V 10V 0.5V

It is a NOR gate, as it gives a logic 1 when A&B are 0, & logic 0 when A or B are 1.

When A is low, Ib is also low. There will be no voltage across the 1K transistor, so all the voltage must go to Q.

24. Integrated Circuits

An integrated circuit is the correct name for a chip. It consists of several transistors, resistors, etc. made on a single piece of silicon (a silicon chip). We use IC's for a number of reasons:

  • Smaller (more compact)
  • Cheaper
  • We don't need to know how it works, only how to wire it.
  • Faster
  • Less soldering, so a more reliable circuit.

    There are two types of IC:

    TTL CMOS
    Very fast Quite fast
    Needs about 1mA per gate. Requires negligible current.
    Needs exactly 5V ± 0.25V. Works using any pd between 3V & 18V.

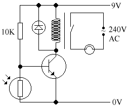
25. The relay

The relay is an electrically operated switch. It is represented using the following symbol:

And is constructed as follows:

A small voltage applied to the input terminals (eg. 12V) applied to the input terminals activates the electromagnet, & closes the contacts. These contacts can then switch on larger amounts of current & voltage safely.

It can be used to enable transistors or IC circuits to switch on higher voltage or current components. For example, an automatic porch lamp:

The porch lamp comes on automatically in the dark.

The diode, which is reversed biased, must always be in place, as it protects the transistor against short short, high-voltage pulses when it switches off.

To adjust the sensitivity, change the 10K resistor. A higher resistance makes it more sensitive, & a lower makes it less.

Next page